
Mô tả Diode cầu 3 pha DF150AA160
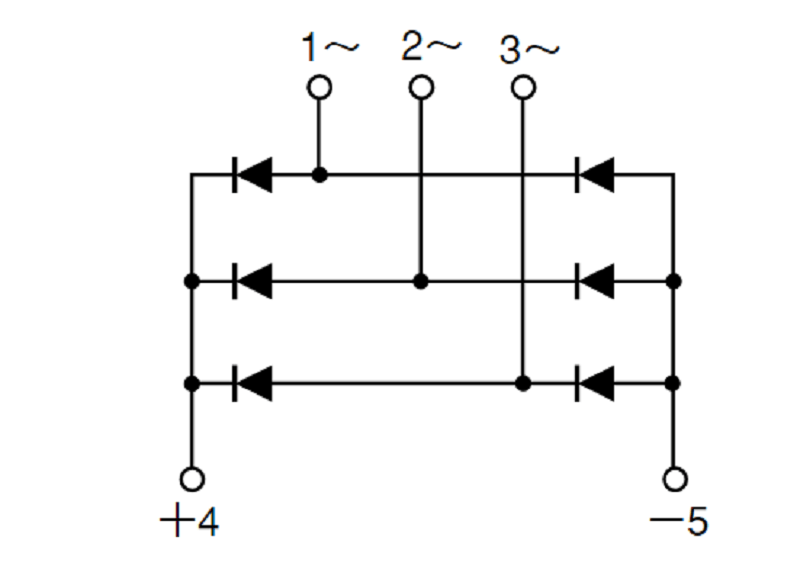
Mô-đun điốt nguồn DF150AA được thiết kế để chỉnh lưu toàn sóng ba pha, có sáu điốt được kết nối theo cấu hình cầu ba pha. Đế gắn của mô-đun được cách ly về điện với các phần tử bán dẫn để có kết cấu tản nhiệt đơn giản. Dòng điện một chiều đầu ra là 150Amp(Tc=94°C)Điện áp ngược cực đại lặp lại lên tới 1.600V.
TjMax=150°C
Đế gắn cách ly
Độ tin cậy cao nhờ khả năng thụ động bằng kính độc đáo(Ứng dụng)AC, DC Motor Drive/AVR/Chuyển mạch-để chỉnh lưu ba pha
Sơ đồ mạch DF150AA160

Kích thước DF150AA160

Bảng thông số DF150AA160

Xem thêm: Nhiều diode cầu khác tại đây


Đánh giá
Chưa có đánh giá nào.