Giới thiệu IR2101
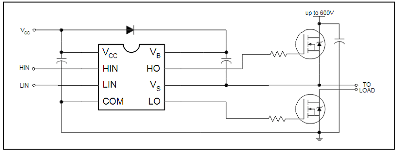
IR2101 là nguồn điện áp cao, tốc độ cao Trình điều khiển MOSFET và IGBT với mức cao và độc lập kênh đầu ra tham chiếu phía thấp. HVIC độc quyền và các công nghệ CMOS miễn dịch chốt cho phép xây dựng nguyên khối. Đầu vào logic được kết nối tương thích với đầu ra CMOS hoặc LSTTL tiêu chuẩn. Các trình điều khiển đầu ra có giai đoạn đệm dòng xung cao được thiết kế để dẫn truyền chéo trình điều khiển tối thiểu. Các kênh nổi có thể được sử dụng để điều khiển kênh N cấp nguồn MOSFET hoặc IGBT ở cấu hình phía cao- tion hoạt động lên đến 600 volt.

Mô tả IR2101
- Kênh nổi được thiết kế cho hoạt động khởi động Hoạt động hoàn toàn ở mức +600V Chịu được điện áp quá độ âm miễn dịch dV/dt
- Phạm vi cung cấp ổ đĩa cổng từ 10 đến 20V n Khóa điện áp thấp
- Logic đầu vào kích hoạt 5V Schmitt
- Độ trễ lan truyền phù hợp cho cả hai kênh
- Đầu ra cùng pha với đầu vào
Sơ đồ chân IR2101

Thông số kỹ thuật IC IR2101

Mạch ứng dụng của IC IR2101

Xem thêm: Các sản phẩm IC khác
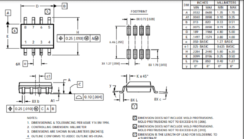
Kích thước của IC IR2101



Đánh giá
Chưa có đánh giá nào.