Giới thiệu về KP1000A1600V (Thyristor SCR dạng đĩa)
KP1000A1600V là một thyristor dạng đĩa (disc type SCR), được thiết kế để xử lý dòng tải lớn và điện áp cao trong các ứng dụng công nghiệp. Với khả năng chịu dòng tải định mức 1000A và điện áp ngược cực đại 1600V, thiết bị này thường được sử dụng trong các hệ thống điện công suất cao như chỉnh lưu, điều khiển động cơ, và lò cảm ứng.

Đặc điểm nổi bật KP1000A1600V
- Công suất cao: Dòng tải định mức lên đến 1000A, phù hợp cho các ứng dụng công suất lớn.
- Điện áp ngược cao: Điện áp ngược cực đại 1600V, đảm bảo hoạt động an toàn trong môi trường điện áp cao.
- Thiết kế dạng đĩa: Giúp tản nhiệt tốt hơn, tăng độ bền và tuổi thọ của thiết bị.
- Khả năng chịu quá tải: Hoạt động ổn định ngay cả khi có dòng xung lớn.
- Độ tin cậy cao: Được sản xuất với công nghệ tiên tiến, đáp ứng tiêu chuẩn công nghiệp.
Thông số kỹ thuật KP1000A1600V
- Dòng tải trung bình (IT): 1000A.
- Điện áp ngược cực đại (VDRM/VRRM): 1600V.
- Điện áp kích mở (VGT): 1.5V đến 3V.
- Dòng điện kích mở (IGT): ≤ 200mA.
- Thời gian phục hồi (tq): ≤ 100µs.
- Điện áp rơi thuận (VF): Thấp, giúp giảm tổn hao năng lượng.
- Dòng xung tối đa (ITSM): Lên đến 15kA (trong 10ms).
- Nhiệt độ hoạt động: -40°C đến 125°C.
- Kiểu lắp đặt: Dạng đĩa, yêu cầu kẹp cơ khí để đảm bảo tiếp xúc tốt.

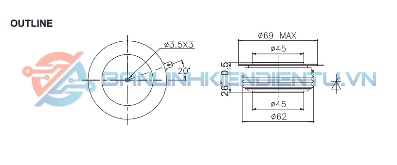
Kích thước KP1000A1600V
Ứng dụng KP1000A1600V
- Hệ thống chỉnh lưu công suất lớn:
- Chuyển đổi AC sang DC trong các trạm biến áp và nhà máy điện.
- Điều khiển động cơ công nghiệp:
- Điều khiển tốc độ và mô-men xoắn của động cơ điện lớn.
- Lò cảm ứng và gia nhiệt:
- Dùng trong các hệ thống gia nhiệt bằng cảm ứng hoặc điện trở.
- Hệ thống năng lượng tái tạo:
- Chuyển đổi và điều khiển dòng điện trong các trạm năng lượng mặt trời và gió.
- Bộ biến đổi điện năng công suất cao:
- Thành phần chính trong các mạch chuyển đổi DC-AC hoặc AC-DC.
- Hệ thống UPS công nghiệp:
- Ổn định nguồn điện trong các bộ lưu điện công suất lớn.
Xem thêm: Nhiều sản phẩm Thyristor tại đây









Đánh giá
Chưa có đánh giá nào.