Mô tả IC so sánh LM311
Khả năng hoạt động từ một nguồn điện duy nhất từ 5,0 V đến 30 V hoặc nguồn cung cấp phân chia $15 V, thường được sử dụng với các bộ khuếch đại thuật toán, khiến LM311 trở thành một bộ so sánh thực sự linh hoạt. Hơn nữa, đầu vào của thiết bị có thể được cách ly khỏi mặt đất hệ thống trong khi đầu ra có thể điều khiển các tải được tham chiếu đến mặt đất, nguồn cung cấp VCC hoặc VEE. Tính linh hoạt này giúp điều khiển logic DTL, RTL, TTL hoặc MOS. Đầu ra cũng có thể chuyển đổi điện áp sang 50 V ở dòng điện đến 50 mA, do đó, LM311 có thể được sử dụng để điều khiển rơle, đèn hoặc cuộn dây.

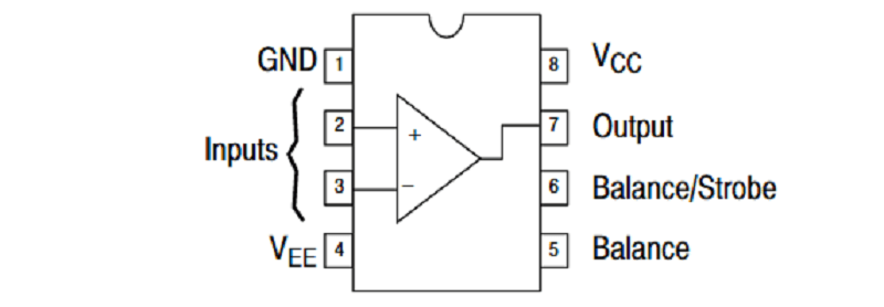
Sơ đồ chân IC LM311

Kích thước IC LM311

Bảng thông số IC LM311



Đánh giá
Chưa có đánh giá nào.