1. Giới thiệu
PD100F12A là module thyristor (SCR) công suất cao, được sử dụng phổ biến trong các hệ thống chỉnh lưu, điều khiển công nghiệp và nguồn công suất lớn. Module có khả năng chịu điện áp lên đến 1200V và dòng làm việc định mức khoảng 100A, thích hợp cho các ứng dụng yêu cầu đóng cắt dòng lớn hoặc điều khiển pha. Hàng “tháo máy” thường là linh kiện được tháo ra từ thiết bị công nghiệp còn hoạt động tốt, có thể dùng lại cho mục đích sửa chữa hoặc nghiên cứu nếu được kiểm tra đúng cách.

2. Đặc điểm nổi bật
-
Dạng module công suất, cấu trúc chắc chắn, dễ lắp đặt và thay thế.
-
Chịu được điện áp và dòng lớn, phù hợp với mạch điều khiển công suất cao.
-
Thiết kế đế cách điện, giúp dễ dàng gắn trên tản nhiệt mà vẫn đảm bảo an toàn điện.
-
Có khả năng tản nhiệt tốt và độ tin cậy cao khi hoạt động liên tục trong môi trường công nghiệp.
-
Thường được dùng trong các thiết bị công suất như bộ nguồn, biến tần, điều khiển pha hoặc chỉnh lưu 3 pha.
3. Thông số kỹ thuật cơ bản
-
Mã linh kiện: PD100F12A
-
Loại linh kiện: Module Thyristor (SCR Module)
-
Điện áp ngược lặp lại tối đa (Vrrm): 1200V
-
Dòng định mức (Itav): 100A
-
Dòng xung cực đại (Itsm): khoảng 1000A (theo 1 chu kỳ 10 ms, giá trị tham khảo)
-
Điện áp kích (Vgt): khoảng 2.5V
-
Dòng kích (Igt): khoảng 150 mA
-
Điện áp rơi thuận (Vt): 1.6 V (ở dòng định mức)
-
Nhiệt độ mối nối cho phép (Tj): –40°C ~ +125°C
-
Điện áp cách điện (Viso): khoảng 2500V AC trong 1 phút
-
Kiểu vỏ: Module gắn vít, có 2 cực chính (A, K) và cực điều khiển (G)
-
Trọng lượng: khoảng 200–300 g (tùy lô sản xuất)

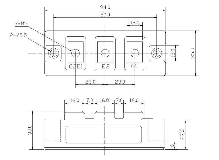
4. Kích thước

5. Ứng dụng
-
Bộ chỉnh lưu AC–DC trong hệ thống nguồn công nghiệp.
-
Mạch điều khiển pha (Phase Control) cho tải công suất như động cơ, lò nung, máy hàn.
-
Bộ biến tần và thiết bị điều khiển tốc độ động cơ.
-
Nguồn UPS, hệ thống năng lượng mặt trời hoặc năng lượng gió có phần chỉnh lưu.
-
Thiết bị công suất lớn yêu cầu đóng cắt điện áp cao, dòng lớn.
6. Lưu ý khi sử dụng hàng tháo máy
-
Kiểm tra ngoại quan: bề mặt module, các vít và đế tản nhiệt không bị cháy xém hay nứt vỡ.
-
Đo kiểm điện trở giữa cực điều khiển và cực chính để đảm bảo SCR còn hoạt động.
-
Khi lắp đặt, sử dụng keo tản nhiệt và bắt chặt đều lực để đảm bảo truyền nhiệt tốt.
-
Nếu dùng cho thiết bị công nghiệp, nên kiểm tra cách điện và thử tải trước khi đưa vào vận hành chính thức.
Xem thêm những sản phẩm Thyristor khác tại đây
DATASHEET


Đánh giá
Chưa có đánh giá nào.