1. Giới thiệu
PDH608 là module thyristor công suất 800V – 60A (tháo máy), chuyên dùng trong các ứng dụng điều khiển công suất trung bình như chỉnh lưu, điều khiển nhiệt độ, điều tốc động cơ và mạch điều khiển pha. Đây là sản phẩm tháo máy, đã qua sử dụng nhưng được kiểm tra đảm bảo còn hoạt động tốt, thích hợp cho sửa chữa, thay thế hoặc nghiên cứu mạch công suất.
Module PDH608 thuộc loại dual thyristor (2 SCR đấu ngược chiều), giúp điều khiển dòng điện xoay chiều (AC) hai chiều hiệu quả, ổn định và tin cậy trong môi trường công nghiệp.

2. Đặc điểm
-
Module công suất trung bình, chịu dòng định mức 60A, điện áp ngược tối đa 800V.
-
Dạng tháo máy, còn hoạt động tốt, phù hợp cho tái sử dụng hoặc ứng dụng kỹ thuật thực hành.
-
Cấu trúc dual thyristor (anti-parallel), cho phép điều khiển chính xác dòng AC hai chiều.
-
Thiết kế chắc chắn, nhỏ gọn, dễ lắp đặt và thay thế.
-
Tản nhiệt tốt nhờ đế nhôm phẳng, dễ gắn tản nhiệt ngoài.
-
Hiệu suất ổn định, tổn hao thấp, đảm bảo vận hành an toàn trong môi trường công nghiệp.
-
Vỏ cách điện và chống ẩm, phù hợp với điều kiện làm việc khắc nghiệt.
3. Thông số kỹ thuật
-
Mã sản phẩm: PDH608
-
Loại linh kiện: Module Thyristor (Dual SCR Module)
-
Tình trạng: Tháo máy, đã qua sử dụng
-
Cấu trúc: 2 Thyristor đấu ngược chiều (anti-parallel)
-
Điện áp ngược cực đại (VRRM): 800 V
-
Dòng điện định mức (IT): 60 A
-
Dòng điện đỉnh không lặp lại (ITSM): 1000 A
-
Điện áp kích hoạt cổng (VGT): 1.5 – 3 V
-
Dòng điều khiển cổng (IGT): 50 – 100 mA
-
Điện trở cách điện: ≥ 2500 VAC
-
Nhiệt độ làm việc: -40°C đến +125°C
-
Kiểu làm mát: Tản nhiệt tự nhiên hoặc cưỡng bức
-
Vật liệu vỏ: Nhựa kỹ thuật cao cấp, đế nhôm tản nhiệt
-
Kiểu đấu nối: Bắt vít công nghiệp tiêu chuẩn
-
Khối lượng: Khoảng 250 – 300 g

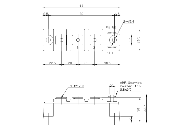
4. Kích thước

5. Ứng dụng
-
Bộ chỉnh lưu điều khiển (Controlled Rectifier) trong lò điện, máy sấy, máy hàn và các thiết bị công nghiệp.
-
Bộ điều khiển công suất AC cho tải điện trở hoặc tải cảm ứng trung bình.
-
Bộ điều khiển tốc độ động cơ AC/DC, bộ khởi động mềm (Soft Starter).
-
Nguồn UPS, bộ ổn áp AC, nguồn DC công nghiệp.
-
Thiết bị tự động hóa và điều khiển công nghiệp yêu cầu độ ổn định cao.
-
Sử dụng cho sửa chữa, thay thế linh kiện tháo máy hoặc nghiên cứu mạch điện công suất.
Xem thêm những sản phẩm Thyristor khác tại đây

Đánh giá
Chưa có đánh giá nào.