Giới thiệu SSS7N60A
Các hiệu ứng trường năng lượng của chế độ nâng cao N-Channel này bóng bán dẫn được sản xuất bằng công nghệ độc quyền của Fairchild, phẳng, công nghệ DMOS. Công nghệ tiên tiến này đã được thiết kế đặc biệt để giảm thiểu điện trở trạng thái, cung cấp khả năng chuyển mạch vượt trội hiệu suất và chịu được xung năng lượng cao trong chế độ tuyết lở và giao hoán. Những thiết bị này tốt thích hợp cho các nguồn cung cấp năng lượng chuyển đổi chế độ hiệu quả cao

Mô tả SSS7N60A
- Chỉ định loại: SSS7N60A
- Loại Transistor: MOSFET
- Loại kênh điều khiển: N -Channel
- Tản điện tối đa (Pd): 48 W
- Điện áp nguồn xả tối đa |Vds|: 600 V
- Điện áp nguồn cổng tối đa |Vgs|: 30 V
- Điện áp ngưỡng cổng tối đa |Vgs(th)|: 4 V
- Dòng xả tối đa |Id|: 4 A
- Nhiệt độ tiếp giáp tối đa (Tj): 150 °C
- Tổng phí cổng (Qg): 49 nC
- Thời gian tăng (tr): 19 nS
- Điện dung nguồn thoát nước (Cd): 130 pF
- Điện trở trạng thái nguồn xả tối đa (Rds): 1,2 Ohm
- Đóng gói: TO220F
Đặc trưng SSS7N60A
- 7,0A, 600V, RDS(bật) = 1,2Ω @VGS = 10 V
- Phí cổng thấp ( điển hình là 38 nC)
- Crss thấp (điển hình là 23 pF)
- Chuyển đổi nhanh
- Đã thử nghiệm tuyết lở 100%
- Cải thiện khả năng dv/dt \
- Cách ly gói TO-220F = 4.0kV
Thông số kỹ thuật của Mosfet SSS7N60A

Sơ đồ chân SSS7N60A

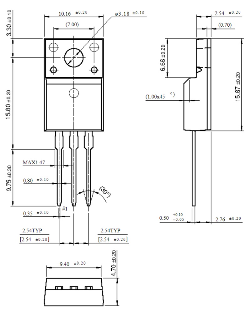
Kích thước của Mosfet SSS7N60A

Xem thêm: Các mã Mosfet khác


Đánh giá
Chưa có đánh giá nào.